How to Retain Extended Pin Function of OKT507-C Development Board
The chip resources are shortages at the present stage. To help customers keep as many functions as possible while reducing costs, this article brings the method of OKT507-C SBC to remove IO expansion chip (TCA6424A) and retain extended PIN function.
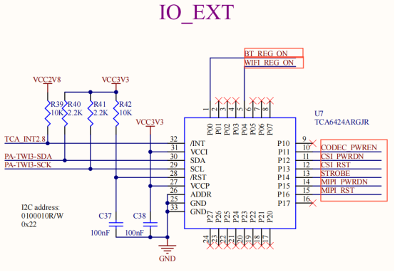
The IO port on the expansion chip are referenced by pins like WiFi, Bluetooth, MIPI camera TP2854, DVP camera and line-out power enable. To retain these functions, it need to use other SoM pins that can be multiplexed for these functions.
This article will use LCD function pins of OKT507-C SBC to multiplex these functions. Users can choose according to their actual functional requirements. The method reference is as follows:
1. Select pins
The corresponding function pins are shown in the table below:
2. Turn off gpio_ext and the original function of multiplexed pin
Modify device tree and turn off LCD function, then this group of pins can be used as normal GPIO. The path is as follows:
vi OKT507-linux-sdk/kernel/linux4.9/arch/arm64/boot/dts/sunxi/OKT507-C Common.dtsi
2.1 Turn off IO expansion chip function
Since the expansion chip has been removed, turn off the expansion chip node.
2.2 Turn off the multiplexed pin function
Tturn off LCD function, this article uses LCD pins for multiplexing. User can turn off the used pin functions according to own practice.
Change lcd_used to 0
Add status="disabled" to lcd0 node;
3. Change GPIO referenced in device node
3.1 MIPI-5640 Pin Configuration
The path is as follows:
vi OKT507-linux-sdk/kernel/linux-4.9/arch/arm64/boot/dts/sunxi/OKT507-C-Common.dtsi
3.2 TP2854 pin configuration
The path is as follows:
vi OKT507-linux-sdk/kernel/linux-4.9/arch/arm64/boot/dts/sunxi/OKT507-C-Common-TP2854M.dtsi
Note: MIPI5640 and TP2854 share a MIPI interface. Both use MIPI_PWRDN. In practical, only one function can be selected. Therefore, this article selects the same pin for the two function tests.
3.3 DVP-5640 Pin Configuration
The path is as follows:
vi OKT507-linux-sdk/kernel/linux-4.9/arch/arm64/boot/dts/sunxi/OKT507-C-Common.dtsi
3.4 WiFi Pin Configuration
The path is as follows:
vi OKT507-linux-sdk/kernel/linux-4.9/arch/arm64/boot/dts/sunxi/OKT507-C-Common.dtsi
3.5 Bluetooth Pin Configuration
The path is as follows:
vi OKT507-linux-sdk/kernel/linux-4.9/arch/arm64/boot/dts/sunxi/OKT507-C-Common.dtsi
3.6 Audio pin Configuration
The path is as follows:
vi OKT507-linux-sdk/kernel/linux-4.9/arch/arm64/boot/dts/sunxi/OKT507-C-Common.dtsi
The above is the method of OKT507-C SBC to remove IO expansion chip and retain extended PIN function. For the specific test method, please refer to "OKT507-C_Linux_User Manual", and you can inquiry us online or send us email to get it.


